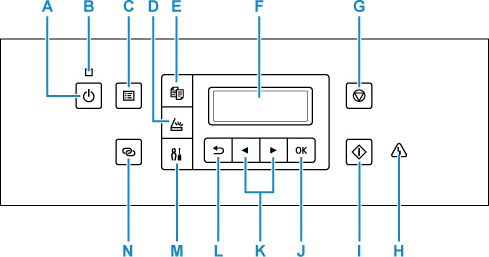
操作面板

- A: 電源(ON)按鈕
-
開啟或關閉電源。 開啟電源前,請確保文件蓋板處於關閉狀態。
- B: 電源(ON)指示燈
- 電源開啟時閃爍之後亮起。
- C: 功能表(MENU)按鈕
- 顯示影印功能表(Copy menu)或掃描功能表(Scan menu)螢幕。
- D: 掃描(SCAN)按鈕
- 將印表機切換為掃描模式。
- E: 影印(COPY)按鈕
- 將印表機切換為影印模式。
- F: LCD(液晶顯示屏)
- 顯示訊息、功能表項與作業狀態。
- G: 停止(Stop)按鈕
- 列印、影印或掃描作業正在進行時取消操作。
- H: 警告(Alarm)指示燈
- 出現錯誤時亮起或閃爍。
- I: 啟動(Start)按鈕
- 開始影印、掃描等。
- J: OK按鈕
- 完成功能表或設定項目的選擇。 該按鈕也可以用於清除錯誤或輸出ADF(自動送稿機)中的文件。
- K:
和
按鈕 -
用於選擇設定項目。 這些按鈕也用於輸入字元。
- L: 返回(Back)按鈕
- 將LCD螢幕返回至上一螢幕。
- M: 設定(Setup)按鈕
- 顯示設定功能表(Setup menu)螢幕。 透過此功能表,可以對印表機執行維護和變更印表機設定。 也用於選擇輸入模式。
- N: 無線連接(Wireless connect)按鈕
- 要直接從智慧型手機或其他此類裝置在印表機上設定無線路由器資訊(無須在路由器進行任何操作),按下此按鈕。

